Cirkulationspump Grundfos TP 150-140/4, 7,5kW 220m³/h 9,43m 3x400V 50Hz
- Enstegs, direktkopplad pump med inlopps-och utloppsportar i linje med samma diameter.
- Pumparna är konstruerade för att kunna lyftas uppåt ur sin installation (”top-pull-out”), dvs. att pumpöverdelen (motor, pumpöverdel och pumphjul) kan lyftas ut för underhåll eller service, medan pumphuset sitter kvar i rörkonstruktionen.
- Pumpen är försedd med en obalanserad gummibälgstätning.
- Axeltätningen uppfyller EN 12756.
- Röranslutningen sker med PN 16 DIN-flänsar (EN 1092-2 och ISO 7005-2).
- Pumpen är försedd med en fläktkyld asynkronmotor.
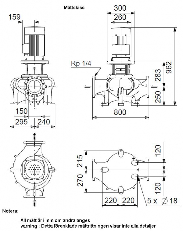
*-Bilden på produkten kan avvika från aktuell produkt.
| Vätska |
| Vätska |
Vatten |
| Vätsketemperatur område |
0 till 120°C |
| Vätsketemp |
20°C |
| Densitet |
998,2 kg/m³ |
| Teknisk data |
| Hastighets |
1460 rpm
|
| Resulterande flöde |
220 m³/h |
| Resulterande lyfthöjd för pumpen |
9,4 m |
| Max. tryck |
140 dm |
| Faktisk pumphjulsdiameter |
202 mm |
Kod för axeltätning. 1: Typ 2. Rot. tätningsdel 3: Stat. plats 4: Sek. tätning: |
BAQE |
| Kurvtolerans |
ISO9906:2012 3B |
| Pumpversion |
A |
| Modell |
A |
| Material |
| Pumphus |
Gjutjärn EN-JL 1040 ASTM A48-40B |
| Pumphjul |
Gjutjärn EN-JL1030 ASTM A48-30 B |
| Materialkod |
A |
| Installation |
| Max. omgivningstemperatur |
60°C |
| Max. driftstryck |
16 bar |
| Flänsstandard |
DIN |
| Anslutningskod |
F |
| Röranslutning |
DN 150 |
| Sugsida |
DN 150 |
| Trycksida |
DN 150 |
| Trycksteg |
PN 16 |
| Inbyggnadslängd |
800 mm |
| Motorflänsstorlek |
FF265 |
| Elektriskdata |
| Motortyp |
132MB |
| IE Efficiency class |
IE3 |
| Effektförbrukning P2 |
7,5 kW |
| Antal Poler |
4 |
| Nätfrekvens |
50 Hz |
| Märkspänning |
3 x 380-415 D/660-690 Y V
|
| Nominell ström |
14,9-14,2/ 8,60-8,40 A |
| Startström |
680-780 % |
| Cos phi - verkningsgrad |
0,86-0,82 |
| Varvtal |
1460 rpm |
| Kapslingsklass (EC 34-5) |
55 Dust/Jetting |
| Efficiency |
IE3 90,4% |
Motorns verkningsgrad vid full belastning |
90,4% |
| Motorverkningsgrad vid 3/4 last |
91,6% |
| Motorverkningsgrad vid 1/2 last |
92,4% |
| Isolationsklass (EC 85) |
F |
| Motorskydd |
PTC |
| Motornr |
87370262 |
| Övriga |
| Märka |
Grundfos Blueflux |
| Minsta effektivitetsindex, MEI ≥ |
0,62 |
| Nettovikt |
240 kg |
| Bruttovikt |
336 kg |
| Leveransvolym |
2,29 m3 |
Prestanda kurvor

» Ritning med mått beskrivning
» Kopplings schema