https://www.tradgardsteknik.se/logotyper/bill_logo_1.png
Patric Torle
info@tradgardsteknik.se
0431-222 90
0431-222 70
Trädgårdsteknik AB tillverkar och bygger växthus, specialväxthus, orangerier, belysning Garden för hela Skandinavien.
Helsingborgsvägen 578
ÄNGELHOLM
262 96
SWEDEN

Nivåkontrollventil Bermad FP45066   




Nivåkontrollventil Bermad FP45066
Nivåkontrollventil som hydrauliskt manövrerad styr reservoar fyllning och reservoar nivå.
Reservoar fyllning är ett svar på en hydrauliskt styrd bi-nivå vertikal flottör som öppnar vid en förinställd reservoar låg nivå och stänger av vid en förinställd hög nivå, oberoende av ventildifferentialtryck .

» Klicka här för att se den datablad

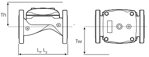
Modell DN

L1 mm

L2 mm

Tw mm
Thmm
FP4506650 50 205 180 284 210
FP4506665 65 205 210 284 210
FP4506680 80 257 255 300 215
FP45066100 100 320 N/A 313 243
FP45066150 150 415 N/A 341 315
FP45066200 200 500 N/A 415 350
FP45066250 250 605 N/A 443 382
FP45066300 300 725 N/A 481 430

För mer information kontakta oss på
0431-222 90


TRÄDGÅRDSTEKNIK AB
Helsingborgsv., Varalöv
262 96 ÄNGELHOLM
Telefon:
0431-222 90
Org Nr:
556409-6120
Webbadress:
www.tradgardsteknik.se
E-post:
info@tradgardsteknik.se