https://www.tradgardsteknik.se/logotyper/bill_logo_1.png
Patric Torle
info@tradgardsteknik.se
0431-222 90
0431-222 70
Trädgårdsteknik AB tillverkar och bygger växthus, specialväxthus, orangerier, belysning Garden för hela Skandinavien.
Helsingborgsvägen 578
ÄNGELHOLM
262 96
SWEDEN

Pump centrifugalpump vertikal flerstegs Grundfos CRN 5-32, 5,5kW 5,8m³/h 168,6m  




Pump centrifugalpump vertikal flerstegs  Grundfos CRN 5-32,  5,5kW 5,8m³/h  168,6m
Vertikal, normalsugande, flerstegs, in-line centrifugalpump för installation i rörledning eller montering på fundament.

Funktioner
  • Pumphjul, mellankammare och yttre mantel är tillverkade av Rostfritt stål DIN W.-Nr. 1,4401.
  • Topp- och fotstycke är tillverkade av Rostfritt stål DIN W.-Nr. 1,4408.
  • Axeltätningens monteringslängd enligt DIN 24960.
  • Kraftöverföring via klämkoppling av gjutjärn.
  • Röranslutning via PJE flänsar/kopplingar.
  • Motorn är av typen 3-fas normmotor.

Vätska
Vätska Vatten
Vätsketemperatur område -20 till 120°C
Vätsketemp 20°C
Densitet 998,2 kg/m³

Teknisk data
Hastighets

2919 rpm

Resulterande flöde 5,8 m³/h
 Resulterande lyfthöjd för pumpen 168,6 m
Pumphjul 32
Kod för axeltätning. 1: Typ 2. Rot.
tätningsdel 3: Stat. plats 4: Sek. tätning:
HQQE
Läs på namnskylten CE, EAC, UKCA
Kurvtolerans ISO9906:2012 3B
Steg 32
Pumpversion A
Modell A

Material
Pumphus Rostfritt stål EN 1,4408
AISI 316 
Pumphjul Rostfritt stål
EN 1,4401 AISI 316

Installation
 Max. omgivningstemperatur 60°C
 Max. tryck vid angiven temp 25 bar / 120°C
25 bar / -20°C
Flänsstandard PJE
Anslutningskod P
Motorflänsstorlek FF265

Elektriskdata
Motortyp 132SC
IE Efficiency class IE3
Antal Poler 2
Effektförbrukning - P2 5,5 kW
Effektbehov (P2) för pump 5,5 kW
Nätfrekvens 50 Hz
Märkspänning 3 x 380-415 D V
Nominell ström 11A
Startström 1080-1180%
Cos phi - verkningsgrad 0,87-0,87
Varvtal 2920-2940 rpm
Efficiency IE3 89,2%
Motorns verkningsgrad vid full belastning 89,2%
Motorverkningsgrad vid 3/4 last 90%
Motorverkningsgrad vid 1/2 last 89,6%
Kapslingsklass (EC 34-5) 55 Dust/Jetting
Isolationsklass (EC 85) F
Motorskydd PTC
Motornr 85U17417

Övriga
Märka Grundfos Blueflux
Minsta effektivitetsindex
, MEI ≥
0,57
Nettovikt 75,6 kg
Bruttovikt 99 kg
Leveransvolym 0,365m³

Prestanda kurvor

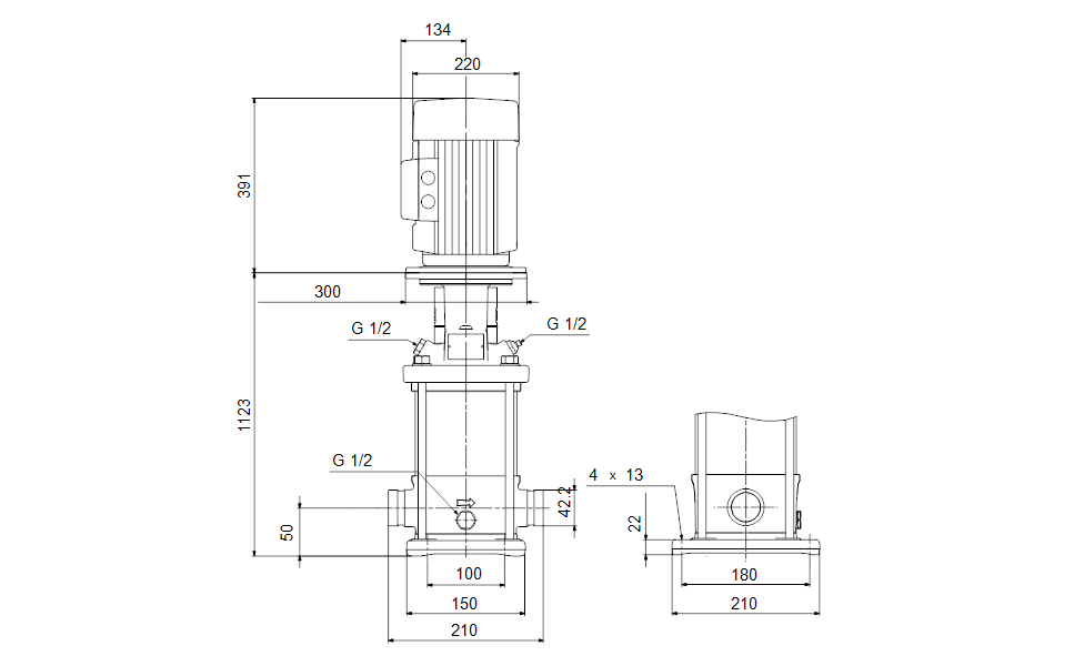
» Ritning med mått beskrivning

» Kopplings schema

  • Pump centrifugalpump vertikal flerstegs  Grundfos CRN 5-32,  5,5kW 5,8m³/h  168,6m
    Art. nr.
    GRU96513494
    Pump centrifugalpump vertikal flerstegs Grundfos CRN 5-32, 5,5kW 5,8m³/h 168,6m
För mer information kontakta oss på
0431-222 90


TRÄDGÅRDSTEKNIK AB
Helsingborgsv., Varalöv
262 96 ÄNGELHOLM
Telefon:
0431-222 90
Org Nr:
556409-6120
Webbadress:
www.tradgardsteknik.se
E-post:
info@tradgardsteknik.se