https://www.tradgardsteknik.se/logotyper/bill_logo_1.png
Patric Torle
info@tradgardsteknik.se
0431-222 90
0431-222 70
Trädgårdsteknik AB tillverkar och bygger växthus, specialväxthus, orangerier, belysning Garden för hela Skandinavien.
Helsingborgsvägen 578
ÄNGELHOLM
262 96
SWEDEN

Cirkulationspump Grundfos TP 200-240/4, 30kW 487m³/h 17,91m 3x400V 50Hz  




Cirkulationspump Grundfos TP 200-240/4, 30kW  487m³/h 17,91m 3x400V 50Hz

  • Enstegs, direktkopplad pump med inlopps-och utloppsportar i linje med samma diameter.
  • Pumparna är konstruerade för att kunna lyftas uppåt ur sin installation (”top-pull-out”), dvs. att pumpöverdelen (motor, pumpöverdel och pumphjul) kan lyftas ut för underhåll eller service, medan pumphuset sitter kvar i rörkonstruktionen.
  • Pumpen är försedd med en obalanserad gummibälgstätning.
  • Axeltätningen uppfyller EN 12756.
  • Röranslutningen sker med PN 16 DIN-flänsar (EN 1092-2 och ISO 7005-2).
  • Pumpen är försedd med en fläktkyld asynkronmotor.
Ytterligare produktinformation
MEI=0,70 | MEI>0,70

     *-Bilden på produkten kan avvika från aktuell produkt.


Vätska
Vätska Vatten
Vätsketemperatur område 0 till 120°C
Vätsketemp 20°C
Densitet 998,2 kg/m³

Teknisk data
Hastighets

1470 rpm

Resulterande flöde 488 m³/h
 Nominrellt tryck 18 m
Lyfthöjd max 240 dm
Faktisk pumphjulsdiameter 272 mm
Kod för axeltätning. 1: Typ 2. Rot.
tätningsdel 3: Stat. plats 4: Sek. tätning:
BAQE
Kurvtolerans ISO9906:2012 3B
Pumpversion A
Modell A

Material
Pumphus  Gjutjärn EN-GJL-250
ASTM class 35
Pumphjul Gjutjärn
EN-GJL-200
ASTM class 30
Materialkod A

Installation
 Max. omgivningstemperatur -20 till 55°C
Max. driftstryck 16 bar
Flänsstandard DIN
Anslutningskod F
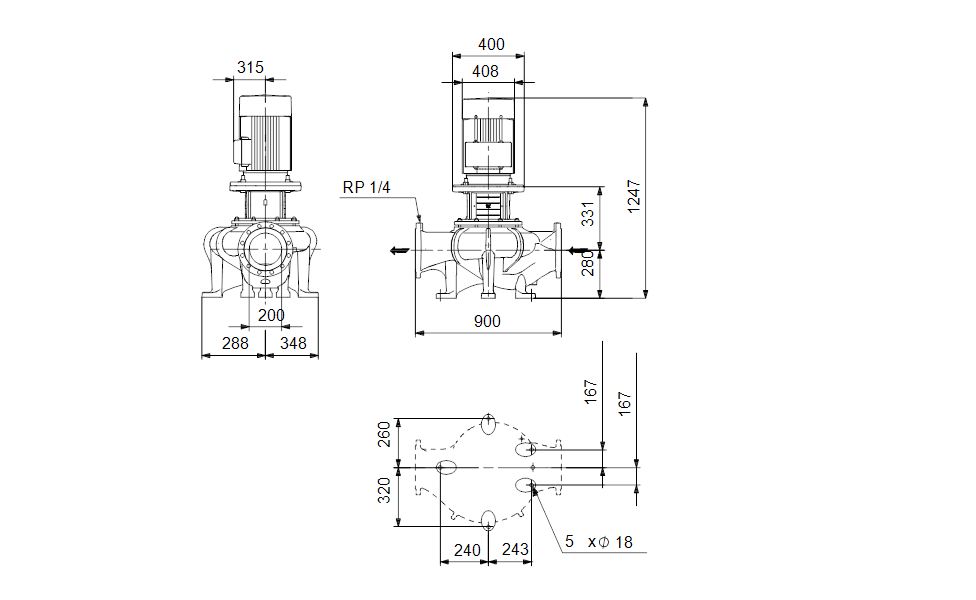
Röranslutning DN 200
Sugsida DN 200
Trycksida DN 200
Trycksteg PN 16
Inbyggnadslängd 900 mm
Motorflänsstorlek FF350

Elektriskdata
Motortyp SIEMENS
IE Efficiency class IE3
Effektförbrukning  P2 30 kW
Antal Poler 4
Nätfrekvens 50 Hz
Märkspänning

3 x 380-420D/
660-725Y V

Nominell ström 55/32 A
Startström 730-730%
Cos phi - verkningsgrad 0,84
Varvtal 1470 rpm
Kapslingsklass (EC 34-5) 55 (Protect. Vattenstrålar / damm)
Efficiency IE3 93,6%
Motorns verkningsgrad vid full
belastning
93,6-93,6%
Motorverkningsgrad vid 3/4 last 94-94%
Motorverkningsgrad vid 1/2 last 93,7-93,7%
Isolationsklass (EC 85) F
Motorskydd PTC
Motornr 99032122

Övriga
Minsta effektivitetsindex, MEI ≥ 0,70
Nettovikt 519 kg
Bruttovikt 558 kg
Leveransvolym 1.21 m3


 Prestanda kurvor

» Ritning med mått beskrivning

» Kopplings schema

  • Cirkulationspump Grundfos TP 200-240/4, 30kW  487m³/h 17,91m 3x400V 50Hz
    Art. nr.
    GRU95046279
    Cirkulationspump Grundfos TP 200-240/4, 30kW 487m³/h 17,91m 3x400V 50Hz
För mer information kontakta oss på
0431-222 90


TRÄDGÅRDSTEKNIK AB
Helsingborgsv., Varalöv
262 96 ÄNGELHOLM
Telefon:
0431-222 90
Org Nr:
556409-6120
Webbadress:
www.tradgardsteknik.se
E-post:
info@tradgardsteknik.se